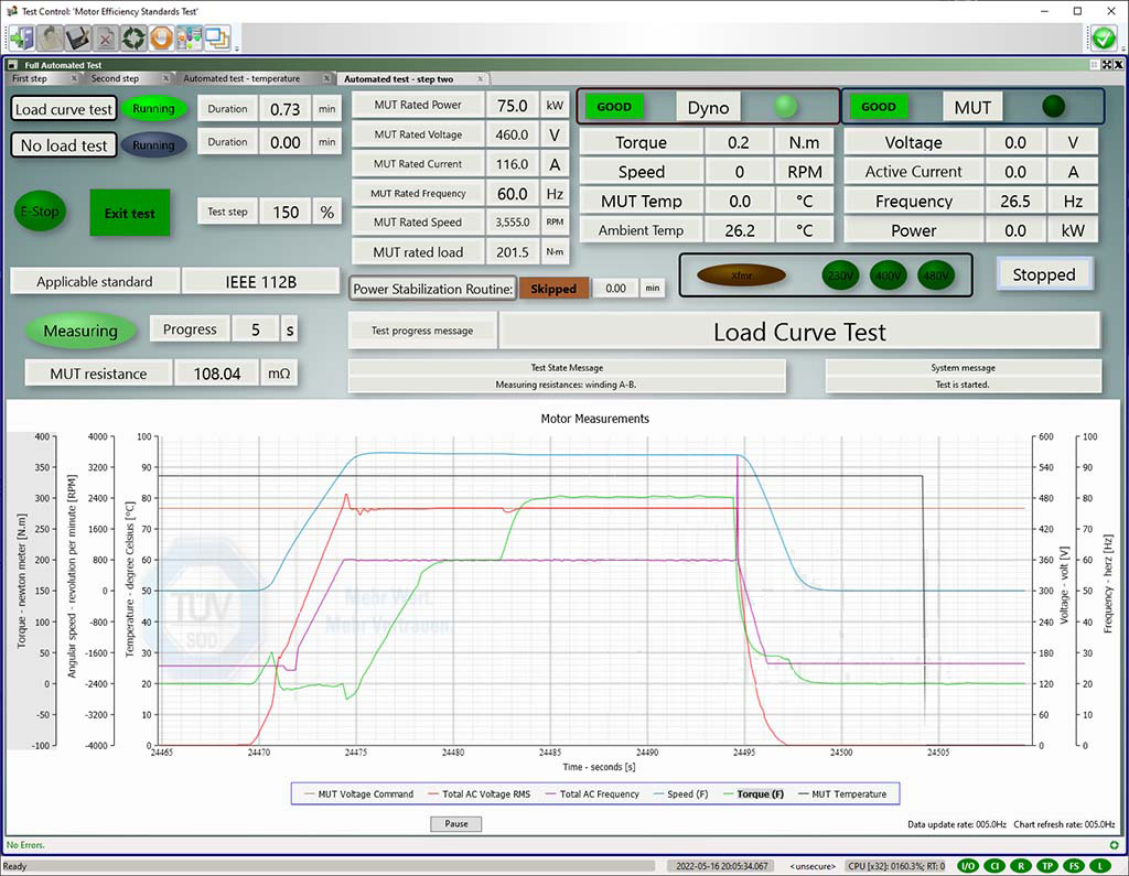
DynoLAB™ GenV Test Control and Data Acquisition Software
DynoLAB™ Test Control and Data Acquisition Software automates the entire test cell and all integrated subsystems, giving operators access to a full suite of data management and storage
Highly Integrated Test Automation Controller and Data Acquisition System
DynoLAB™ GenV Test Control and Data Acquisition software can automate a wide range of performance, development, durability, and quality control tests, including complex in-use and road load driving cycle simulations. The controller is capable of ongoing, 24/7 unattended operation, and is designed to operate with little or no maintenance for years to come.
Using rigorous testing and continuous development, we are able to make enhancements to the DynoLAB system and ensure it keeps pace with technology and continues to perform with the highest level of speed and accuracy.



Seamless Communications Across Diverse Protocols
DynoLAB GenV communicates seamlessly with all subsystems and instruments via Ethernet, USB, Modbus, CAN and other industry standard communication protocols, as well as MIL-STD-1553 connection for all existing military aircraft and spacecraft avionics buses. The controller coordinates all data acquisition devices and functionality, including RMS power analyzers, battery simulators, and even local facility infrastructure. The controller can also operate as a slave to your existing test cell control system over Ethernet, CAN, discrete analog and digital I/O. DynoLAB can measure all types of signals, including voltages, current, frequencies, temperatures, and digital signals over Ethernet, USB, CAN, Modbus and more. The system can perform complex calculations and control decisions using the data acquired.
The DynoLAB GenV Test Automation Controller is capable of:
- Measurement of all types of digital and analog signals
- Detailed calculations
- Complex control logic in an intuitive graphical interface
- Integration of smart instrumentation via Ethernet, USB, CAN, Modbus, MIL-STD-1553, etc.
- Complete control of the complex test system environment
- Integration with SQL database technology
- Remote monitoring capabilities
- Testing to all relevant international standards
Key Features
DynoLAB GenV is designed to be versatile and powerful, as well as easy-to-use. The fully-integrated Test Automation Controller allows for fast and easy testing, even in complex and challenging environments.
Easy to Use
A user-friendly, drag-and-drop interface and a convenient flow-chart paradigm makes it easy to visualize, configure and reconfigure tests as needed without requiring a programming background.
Seamless Communication
Integrates seamlessly with all types of external devices and local environmental controls using analog, digital, Ethernet connection, Controller Area Network (CAN) bus, USB, Modbus, MIL-STD-1553 etc.
Industry-Standard Components
Using industry-standard hardware and reprogrammable sequences, users can easily maintain and upgrade DynoLAB GenV without being tied to a single vendor.
Alternator Thermal Performance Tester
Visteon Automotive Global Technology Center, Ypsilanti, MI
Visteon Automotive Global Technology Center needed a test system to perform thermal performance testing of automotive alternators and charging systems. The DynoLAB system fully automates test operations, including alternator speed control, power supply control, PWM control, dynamic profiling of electrical loads and thermal cycling. The system is designed for 24-hour unattended operation.

Contact Us
If you have questions about our automation and data collection software, we can help. Contact us to learn more about this software or any testing system.
